Monolitik SDH TM/PHY Çoklayıcı ve Eşleyici (RC7883A1)

RC7883A1, RC7880A1 temelinde tasarlanmış düşük fiyatlı bir üründür; RC7883A1'in çekirdek tasarımı ve paketi RC7880A1 ile aynıdır. RC7883A1 üç çeşit uygulama modu sağlar: TM modu, PHY modu ve MAP modu. Üç mod kayıt yoluyla yapılandırılabilir.
TM modu STM-1 terminal çoklayıcı için uygundur; PHY modu çift STM-1 optik hat çoklayıcı için uygundur; ve MAP modu 24 E1 Mapper için uygundur. PHY modu için, telekom-bus yüzer modda çalışabilir, C1J1/SPE kontrol sinyali eklenir ve VC-4 arayüzü sağlanabilir. MAP modu için, basitleştirilmiş telekom bus uzantısı için uygun olan iki bus kontrol sinyali eklenir. TM (veya PHY veya MAP) modu için, bazı işe yaramaz üniteler engellenecektir.
RC7883A1 ve RC7880A1 Arasındaki Karşılaştırma

Monolitik SDH TM/PHY Çoklayıcı ve Eşleyici (RC7883A1) Teknik Özellikleri
- RC7883A1, RC7880A1 temelinde tasarlanmış düşük fiyatlı bir üründür; aşağıdaki üç tür uygulama modunu sağlar: TM, PHY ve Mapper.
- TM Modu
- Yalnızca 1+1 VC-12 yol korumasıyla noktadan noktaya ağ için STM-1 SDH Terminal Çoklayıcısını gerçekleştirir.
- 24 E1 eşleme ünitesi yerleşiktir ve E1 sayısı telekom-bus üzerinden 63'e kadar genişletilebilir.
- Diğer işlevler RC7880A1 ile aynıdır.
- PHY Modu
- 2xSTM-1 optik arayüz sağlar.
- LOHP, TUPP, SEC, OH-DXC, OHI, EOW, MPI ve GSIO ünitesinin işlevi RC7880A1 ile aynıdır.
- 4 E1 eşleme ünitesi sağlar.
- PHY modunda, TU-DXC ünitesi 1+1 korumayı desteklemez.
- STB_C/STB_D, TU-12/TU-3/VC-4 yapısı olarak bağımsız olarak ayarlanabilir
- MAPPING Modu
- 24 E1 eşleme/eşlemeyi kaldırma STB_C/STB_D Telekom-veriyoluna/STB_C/STB_D Telekom-veriyolundan.
- MPI, GSIO ünitesinin işlevi RC7880A1 ile aynıdır.
- STBI ünitesinin işlevi eklenir, basitleştirilmiş telekom veri yolu uzantısı için uygun iki kontrol sinyali eklenir.
- TU-DXC'nin işlevi basitleştirilir, bu da yalnızca MAP ünitesi ile STBI ünitesi arasında doğrudan bağlantı kurarak telekom veri yolunu elde eder.
- LOHP, TUPP, SEC, OH-DXC, OHI ve EOW'nin işlevi engellenir
RC7883A1 Fonksiyonel Blok Diyagramı
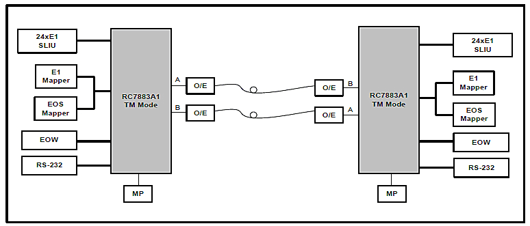
RC7883A1 TM Modu

RC7883A1 PHY Modu

RC7883A1 Eşleme Modu

Monolitik SDH TM/PHY Çoklayıcı ve Eşleyici (RC7883A1) Uygulama Yöntemi
SDH Terminal Multiplexer Uygulaması

SDH Hub Uygulaması

SDH E1 Mapper Uygulaması
