Gigabit Ethernet ve 16-E1 ADM Çoklayıcı (RC7020)

ADM uygulamalarına yönelik RC7020, 1,25 Gb/s optik fiber üzerinden 88 E1 hattıyla bir Gigabit Ethernet hattını çoklar. RC7020, harici anahtarlara arayüz oluşturmak için çift 1,25 Gb/s optik port ve çift GMII arayüzü sağlar. E1 ve Ethernet trafiği, bir hata oluştuğunda halka ağ topolojisinde hızlı koruma anahtarlamasıyla korunur. RC7020, ağ elemanları arasındaki iletişimler için bir HDLC denetleyicisi ve yardımcı işlevler için iki E1 kullanıcı kanalı içerir.
Gigabit Ethernet ve 16-E1 ADM Çoklayıcı (RC7020) Teknik Özellikleri
- LA / LB Optik Hat Arayüzleri Sağlar
- Raycom'un benzersiz E2RING tekniğiyle, RC7020 GE ve 88 E1 hatlarını 1000 Mb/sn tel hızı iletimiyle 1,25 Gb/sn optik fiber üzerinden çoklar
- SFP modülleri, tutkal mantığı gerektirmeden doğrudan RC7020 1,25 Gb/sn LVDS portlarına bağlanabilir
- Test için ekipman tarafına doğru hat döngüsünü destekler
- EXIST, NOP, LOF, LOM, RDI, EXC alarmları sağlar
- Performans izlemeyi destekler
- ALS (Otomatik Lazer Kapatma) ve RPD (Uzaktan Güç Kesme Algılama) işlevselliğini destekler
- SFP kontrolü için I2C arayüzü
- GMIIC/GMIID Ethernet Arayüzü
- Harici anahtarlara bağlantı için iki GMII arayüzü sağlar
- İki 1000 Mb/sn Ethernet portunu optik portlara çoklar (LA ve LB) bağımsız olarak
- ELB(Ethernet Loop-back Block) fonksiyonu, bir hat geri döngüsü oluştuğunda Ethernet trafiğini durdurur
- IEEE802.3-2000 ile uyumludur
- E1 Trafik Arayüzü
- G.703, G.742 ve G.823 ile uyumludur
- HDB3 veya NRZ seçilebilir
- Tek çip 16 E1 portu sağlar
- Beş kademeli çip 88 E1 portunu destekler
- Her E1, LA ve LB arasında aktarım için
- geçiş modunda yapılandırılabilir
- Her E1 arayüzü, LA veya LB'nin herhangi bir zaman aralığına atanabilir
- P2P, P2DP, Zincir ve Halka Topolojilerini destekler
- Kendi Kendini İyileştirme
- P2P ve Halka için E1 hızlı korumayı destekler
- P2P ve Halka için Ethernet hızlı korumayı destekler
- HDLC, ATD için korumayı destekler (Otomatik
- Topoloji Keşfi) kanalları
- SPI Arayüzü
- SPI 'slave' modunu destekler, 20MHz'e kadar
- Tek bayt ve bayt akışları için R / W'yi destekler
- Kesinti
- HDLC veri RX / TX için kesinti sağlar
- MAC adres tablosu yenileme kesintisi sağlar
- Kesinti maskesini destekler
- Ağ Yönetimi
- Uzak iletişim için yerleşik HDLC denetleyici
- ATD işlevini destekler
- Yerleşik E1 BERT sağlar
- XE1 OH Arayüzü
- İki ek E1 kullanıcı kanalı sağlar. HDB3
- veya NRZ kodlaması seçilebilir
- Ağ öğeleri arasında
- eşzamansız iletişim için UART kanalı olarak yapılandırılabilir
- Diğer Özellikler
- 2,5V/1,2V güç kaynakları
- PBGA320 paketi
- Maksimum güç tüketimi: 1W'tan az
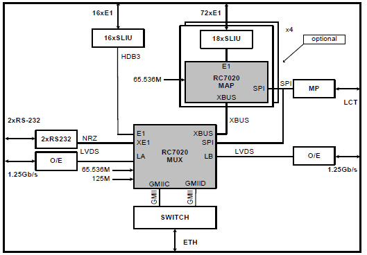
RC7020 Fonksiyonel Blok Diyagramı

Gigabit Ethernet ve 16-E1 ADM Çoklayıcı (RC7020) Uygulama Yöntemi
GE+16/88E1 ADM Uygulaması

Topoloji Yetenekleri
