Çok İşlevli Ethernet Dönüştürücü (RC7222A2)

RC7222A2, 10M/100M Ethernet ve ST_BUS'tan WAN arayüzlerine (E1/FE1 veya SSI*) veri dönüşümü için son derece entegre bir ASIC çipidir. ITU-T standartlarını takip eden E1/FE1 ve MII arayüzlerini destekler.
ITU-T G.7041 ile uyumlu veya RJ017* ile uyumlu olan GFP-F ve HDLC, Ethernet çerçevelerini kapsüllemek için seçilebilir. Sadece GFP için değil, aynı zamanda HDLC için de İstemci Yönetim Çerçevesini (CMF) destekler. Ayrıca, HDLC kapsülleme için RC7222A2, bant içi uzaktan izleme için gereksinimlerin çoğunu karşılayan belirli bir CMF veri biçimi tanımlar. Ek olarak, G.704'ün ayrılmış bitini (SA) kullanarak, RC7222A2 düşük hızlı uzaktan izleme için bağımsız bir kanal kurar.
Çipin içinde, Ethernet verileri önbelleğe alındığında, kapsüllendiğinde ve sayıldığında, her adımda izlenir ve tüm alarmlar ve istatistik sonuçları kayıtlardan okunabilir.
MP arayüzü, çalışma durumunu görüntülemek ve çipi yapılandırmak için tasarlanmıştır. CPU'suz uygulamalar için, işlevlerin çoğu pinleri aracılığıyla yapılandırılabilir.
*Not:
- SSI, Seri Eşzamanlı Arayüz anlamına gelir. Aslında bir HDLC arayüzüdür.
- RJ017, İsrail'deki RAD Data Communications tarafından üretilen bir Ethernet köprü çipidir.
Çok İşlevli Ethernet Dönüştürücü (RC7222A2) Teknik Özellikleri
- Ethernet Arayüzü
- MII (Ortamdan Bağımsız Arayüz) 10M/100M, Tam/Yarı çift yönlü modları destekler, IEEE 802.3 ile tamamen uyumludur
- Taşınabilir Ethernet çerçevelerinin uzunluğu 64 ila 2031 bayt arasındadır
- Büyük boyutlu, küçük boyutlu ve CRC hata paketlerini atar
- PAUSE akış kontrol işlevini destekler
- Ethernet alarm raporu testi ve performans istatistikleri sağlar
- Kayıtların Ethernet PHY'den RC7222A2'ye eşlenmesini gerçekleştirmek için MDIO arayüzü sağlar.
- E1/FE1 Arayüzü
- E1 arayüzü ITU-T G.703, G.704, G.706 ve G.732 önerilerine uygundur
- HDB3 ve NRZ seçilebilir
- Yerel serbest çalışan veya izleme hattı zamanlaması seçilebilir
- SSI Arayüzü
- Bağımlı zamanlama moduyla, HDLC veri akışını iletir ve alır ve bit hızı 50 Mbit/s'ye kadar çıkabilir
- MII arayüzünden gelen Ethernet çerçevesi önce yerleşik HDLC çerçeveleyici tarafından kapsüllenir
- G.704 Çerçeveleyici
- G.704 çerçeveleyici/çerçevesiz baypas modunu (çerçevesiz) destekler
- PCM30/31 modunu destekler
- CRC-4 çoklu çerçeve otomatik uyarlamasını destekler
- Ayrılmış SA bitleri 20 Kb/s olarak kullanılabilir
- Şeffaf senkron arayüz
- Ethernet Çerçeve Kapsülleme
- HDLC'yi destekler RJ017 ile uyumludur
- ITU-T G.7041 ile uyumlu GFP-F'yi destekler
- CSF çerçevelerini destekler ve CSF alırken alarmı algılar
- PTI/PFI/EXI parametreleri alıcı tarafta güçlü uyumlulukla otomatik olarak uyarlanabilir
- İstemci Yönetim Çerçevesi (CMF)
- HDLC kapsülleme için RC7222A2, China Mobile formatına uygun CMF'yi destekler ve isteğe bağlı olarak kullanıcı tanımlı CMF de mümkündür
- GFP kapsülleme için kullanıcı tanımlı CMF'yi destekler
- 64 Mbit SDRAM ile harici olarak bağlanır; Önbellek kapasitesi: 32--512 çerçeve (seçilebilir)
- Yönetim
- 19200bps UART arabirimini veya 100kb/s I2C arabirimini destekler
- UART kontrolü için adres odaklı yönetimi destekler ve kontrol edilen nesnelerin maksimum sayısı en fazla 256 olabilir
- RC7222A2'nin durumu ve uzaktaki Ethernet PHY, G.704 çerçeveleme modunda izlenebilir
- G.704 çerçeveleme modunda SA bit kanalı üzerinden yerel ve Uzak arasında kullanıcı tanımlı bilgileri destekler
- Çip yumuşak sıfırlama kaydı sağlar
- Dahili ikinci zamanlayıcıya güvenerek, performans istatistikleri kayıtları her saniye raporlanabilir
- Yerel ve uzak geri döngüyü ve dahili BERT'i de destekler
- Döngü karşıtı işlev, bir hat geri döngüsü oluştuğunda Ethernet ağının bozulmasını önler
- 0,25μm CMOS; 2,5V ve 3,3V güç; LQFP128 paketi
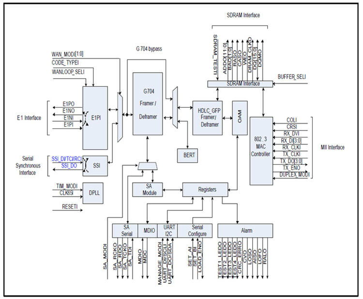
RC7222A2 Fonksiyonel Blok Diyagramı

Çok İşlevli Ethernet Dönüştürücü (RC7222A2) Uygulama Yöntemi
Ethernet'ten E1'e Dönüştürücü
RC7222A2, Ethernet'ten tek E1'e veri dönüşümünde kullanılabilir.

SSI Uygulaması
Diğer hat arayüz çipleriyle birlikte çalışan RC7222A2, 64Kb/sn'ye dayalı olarak Ethernet, ses ve diğer hizmetler için optik / E1 sinyallerine yönelik çoklamayı gerçekleştirebilir.
